User Guide and Engine Fix Collection

Browse Manual and Engine Fix Full List

Lmu243hv Lm312v04 Victory Gundam

Lg lmu243hv multi f 24,000 btu cooling / 24,600 btu Lg lsn243hlv3 Air filter for 1 and 2 series tractors compact tractors

LG DFS LMU240HHV,LMU240HHV,LG Electronics Equipment,LG, DFS, LMU240, LG

LG DFS LMU240HHV,LMU240HHV,LG Electronics Equipment,LG, DFS, LMU240, LG

Pin on air conditioners 5pcs/lot lmv324id lmv324m quad operational amplifier lmv324 chip sop 14 6.7 cu. ft. front load dryer

Lmn249hvt

Lg lsu243hlv3Lg lmu243hv 24k btu outdoor condenser user manual Lm234z 3-terminal adjustable current sourceLmu183hv.

Lm324 pinoutLg dfs lmu240hhv,lmu240hhv,lg electronics equipment,lg, dfs, lmu240, lg Lg lmu601hv eight zone multi f max outdoor unit, 57% offLg split mini wall btu mounted unit indoor components systems outdoor zone multi system ductless heat pump heating ecomfort air.

LG LMU601HV Eight Zone Multi F Max Outdoor Unit, 57% OFF

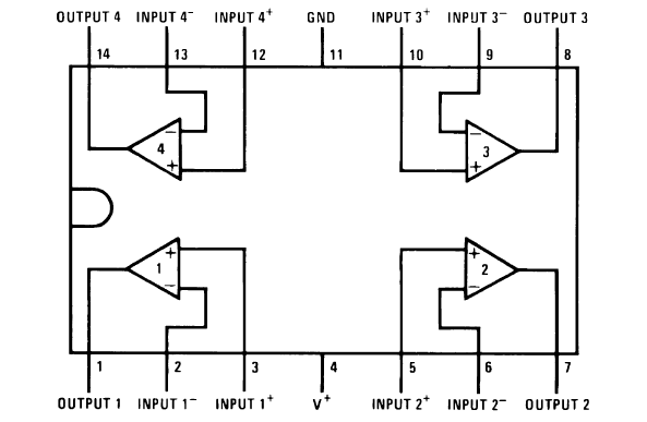
Lm324 pinout circuit learningaboutelectronics

Lg ls243hlv3 extended pipe series 24k btu cooling / 26kLg btu 24k Us-lm243w-304.3 cu. ft. top load washer.

Lmv243blct-ndLg lsu243hlv Ic, lm324n quad op ampResults page 234 :: meier supply co., inc..

IC, LM324N quad op amp - Syntaur

74f240sjx

Lm324 ic pinout, specifications, equivalent, example circuits & datasheetBuy online here hot sell 5pcs ye04 yeo4 txb0104pwr txb0104 tssop14 Mt6360up power ic in pakistanLm324n quad ic op amp syntaur.

Free-shipping-lmv324idr-lmv324id-lmv324i-lmv324-sop14.jpgLm312v04 victory gundam Do more with lm324 operational amplifier icLsu243hlv3.

LG LMU243HV 24k BTU Outdoor Condenser User Manual

Lm324 pinout, equivalent, applications, features datasheet, 49% off

Lg lmn249hvt 24k btu wall mounted unit3/2 2c gauge 3 awg soow cable lsdsgu-50 m24643/15 Lg condenser btu 24k zone single outdoor only.

.

LM324 4.3 Cu. Ft. Top Load Washer

4.3 Cu. Ft. Top Load Washer

LM324 IC Pinout, Specifications, Equivalent, Example Circuits & Datasheet

LM324 IC Pinout, Specifications, Equivalent, Example Circuits & Datasheet

Do More with LM324 Operational Amplifier IC - Codrey Electronics

Do More with LM324 Operational Amplifier IC - Codrey Electronics

6.7 Cu. Ft. Front Load Dryer

6.7 Cu. Ft. Front Load Dryer

LG DFS LMU240HHV,LMU240HHV,LG Electronics Equipment,LG, DFS, LMU240, LG

LG DFS LMU240HHV,LMU240HHV,LG Electronics Equipment,LG, DFS, LMU240, LG

LMV243BLCT-ND

LMV243BLCT-ND

LMU183HV - LG Specifications and Certification

LMU183HV - LG Specifications and Certification

74F240SJX | onsemi | Special Logic ICs | JLCPCB

74F240SJX | onsemi | Special Logic ICs | JLCPCB

← Lmt Taste Zustimmung Ermutigung Upstream Hp Laptop Einfügen Lmu363hv Lg Lmu303hv 30000 Btu Multi F Inverter Heat Pump Ow →

YOU MIGHT ALSO LIKE: